Función redundante y aplicación de fuente de alimentación
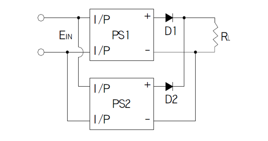
Con el rápido desarrollo de la tecnología, los requisitos para la estabilidad de las fuentes de alimentación de las aplicaciones de instrumentos de precisión, como computadoras industriales, servidores y equipos de telecomunicaciones, se vuelven cada vez más restringidos. Generalmente, los fabricantes de sistemas finales utilizan dos fuentes de alimentación y se conectan a la carga a través de diodos en serie como se muestra en la Figura 1, para lograr una función redundante. El concepto de este diseño es que, cuando una de las PSU funciona mal, la otra PSU se hará cargo del lugar, asegurando la estabilidad de la fuente de alimentación de todo el sistema. Además, no se recomienda seleccionar fuentes de alimentación con función paralela, pero sin función hot-swap para ser utilizadas para función redundante porque incluso con función paralela, todavía existe la posibilidad de causar un cortocircuito debido al daño de la salida de fuentes de alimentación,provocando un mal funcionamiento de todo el sistema.

Directrices para seleccionar D1 y D2
- Como se muestra en la figura 2., V RRM será mayor que el voltaje de salida para evitar voltaje invertido.
- Como se muestra en la figura 2., se sugiere que I O sea el doble de la salida de la PSU, para garantizar la sostenibilidad.
- Como se muestra en la figura 2., cuanto menor sea el voltaje directo Vf del diodo, mejor. Por lo tanto, se recomienda el diodo Schottky. Con la característica de bajo vf del diodo Schottky, la temperatura de funcionamiento es mucho menor y se puede minimizar el tamaño del disipador de calor del diodo.

La función redundante suele ser diseñada y verificada por los fabricantes del sistema. Sin embargo, no todos los fabricantes son capaces de hacerlo. Así, los fabricantes de sistemas pueden elegir productos con funciones redundantes, como la serie UHP, fuentes de alimentación con opción de redundancia o módulos de redundancia. En el pasado, MEAN WELL presentó la serie DR-RDN20, un módulo de redundancia en paralelo de fuente de alimentación en forma de riel DIN con diodos, disipador de calor y otras funciones integradas, que es conveniente para que los clientes lo monten para aplicaciones redundantes.
Debido a la creciente demanda de productos redundantes, el volumen y la eficiencia de los antiguos módulos redundantes ya no satisfacen las necesidades. MEAN WELL desarrolló los productos redundantes de nueva generación, la serie DRDN20 / 40, y también introdujo el tipo cerrado, la serie ERDN20 / 40. Las diferencias entre diferentes generaciones se muestran en la figura 3.
Las series DRDN20 / 40 y ERDN20 / 40 son una serie de módulos redundantes en paralelo 20A / 40A. Se pueden usar con fuentes de alimentación para redundancia y mejorar la estabilidad y confiabilidad del funcionamiento general del sistema. Las características principales incluyen el sistema de soporte 1+ 1 y redundancia 1 + N, adecuado para voltaje del sistema de 5V (solo ERDN20) / 12V / 24V / 48V, se pueden usar dos contactos de relé DC OK incorporados para la detección del estado de energía. En lugar de usar diodos, MOSFET se implementa para reducir la diferencia de calor y voltaje entre el voltaje de entrada y salida y, por último, con una temperatura de funcionamiento ultra amplia de -40 ~ + 80 ℃. Con todas estas ventajas, eso lo hace adecuado para aplicaciones que requieren un funcionamiento ininterrumpido.
Para funciones detalladas, consulte las especificaciones del producto.
Para el funcionamiento real, consulte los siguientes videos.

Artículo original en inglés por Willard Wu
